
Цену уточняйте
Задвижка чугунная литая клиновая 30ч939р Ду100 с электроприводом А.100/24 220В предназначена для установки на трубопроводах (Вода и другие жидкие и газообразные неагрессивные среды, по отношению к которым, материалы применяемые в задвижке коррозионностойкие) в качестве запорного устройства в системах автоматического управления теплоснабжением и водоснабжением на промышленных и гражданских объектах.
К трубопроводу присоединяется при помощи фланцев (по ГОСТу 12817, исполнение I, ряд 2 по ГОСТу 12815). Установка производится приводом вверх.
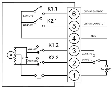
Задвижки с электроприводом предназначены для эксплуатации в повторно-кратковременном режиме S2 по ГОСТ 183-74 с продолжительностью включения (ПВ) 15%. Питание электропривода осуществляется от сети переменного тока 220 В 50 Гц.
| ○ Тип задвижки - Чугунная | |
| ○ Диаметр номинальный DN - 100 мм | |
| ○ Давление номинальное PN - 16 бар | |
| ○ Температура рабочей среды - от -10 до 120 °C | |
| ○ Класс герметичности по ГОСТ 9544-2015 - "А" | |
| ○ Материал корпуса - Чугун GGG50 | |
| ○ Материал запорного органа - чугун + EPDM | |
| ○ Тип уплотнения - EPDM | |
| ○ Крутящий момент - 100 Нм | |
| ○ Вес - 52.3 кг | |
| ○ Страна производитель - Китай | |
| ○ Страна производитель привода - Россия | |
| 1 | Корпус | высокопрочный чугун GGG50 |
| 2 | Клин | чугун + EPDM |
| 3 | Гайка | бронза |
| 4 | Шток | Нержавеющая сталь |
| 5 | Прокладка | EPDM |
| 6 | Крышка корпуса | высокопрочный чугун GGG40 |
| 7 | Кольцо | Бронза |
| 8 | Кольцо | EPDM |
| 9 | Болты | Углеродистая сталь |
| 10 | ISO-фланец | высокопрочный чугун |
| 11 | Сальник | высокопрочный чугун |
| 12 | Кольцо | EPDM |
| 13 | Болты | Углеродистая сталь |

| ○ Диаметр Dn - 100 мм | |
| ○ Строительная длина L - 190 мм | |
| ○ Строительная высота h2 - 555 мм | |
| ○ Диаметр фланца ⌀D - 220 мм | |
| ○ Диаметр соединительного выступа ⌀B - 154 мм | |
| ○ Диаметр между центрами крепёжных отверстий ⌀C - 180 мм |
|
| ○ Длина электропривода - 364 мм | |
| ○ Ширина электропривода - 385 мм | |
| ○ Количество и диаметр болтовых отверстий на фланце n-⌀d - 8-19 мм |
|

| ○ Тип электропривода - Многооборотный | |
| ○ Крутящий момент привода - 100 Нм | |
| ○ Напряжение питания - 220 В | |
| ○ Номинальный потребляемый ток - 1.20 А | |
| ○ Скоростные характеристики электропривода - 24 об./мин. |
|
| ○ Датчик обратной связи - | |
| Концевые выключатели | |
| ○ Степень защиты корпуса - IP65 | |
| ○ Взрывозащита корпуса - нет | |
| ○ Тепловая защита двигателя - есть | |
| ○ Страна производитель электропривода - Россия |