Затворы с двойным эксцентриситетом
Затворы разработаны для эксплуатации в более тяжелых условиях, чем затворы с симметричным диском (высокие температуры, большее количество циклов срабатывания).
Диск затвора установлен в корпусе со смещением относительно оси симметрии корпуса затвора и оси трубопровода. Седло и диск имеют конический профиль, что в купе с двойным эксцентриситетом позволяет диску выходить из контакта с седлом при минимальных углах открытия.
Тип присоединения – межфланцевое.
Затворы выпускаются с уплотнением 3-х конструкций: с мягким уплотнением из фторопласта, в пожаробезопасном исполнении «fire safe» и с уплотнением «металл по металлу».
Затворы дисковые применяются в нефтеперерабытывающей, химический промышленности, металлургии, технологических трубопроводах промышленных предприятий, в энергетической отрасли, судостроении.
- Цену уточняйтеПод заказ Оптом и в розницу+375 (29) 611-20-99
- Цену уточняйтеПод заказ Оптом и в розницу+375 (29) 611-20-99
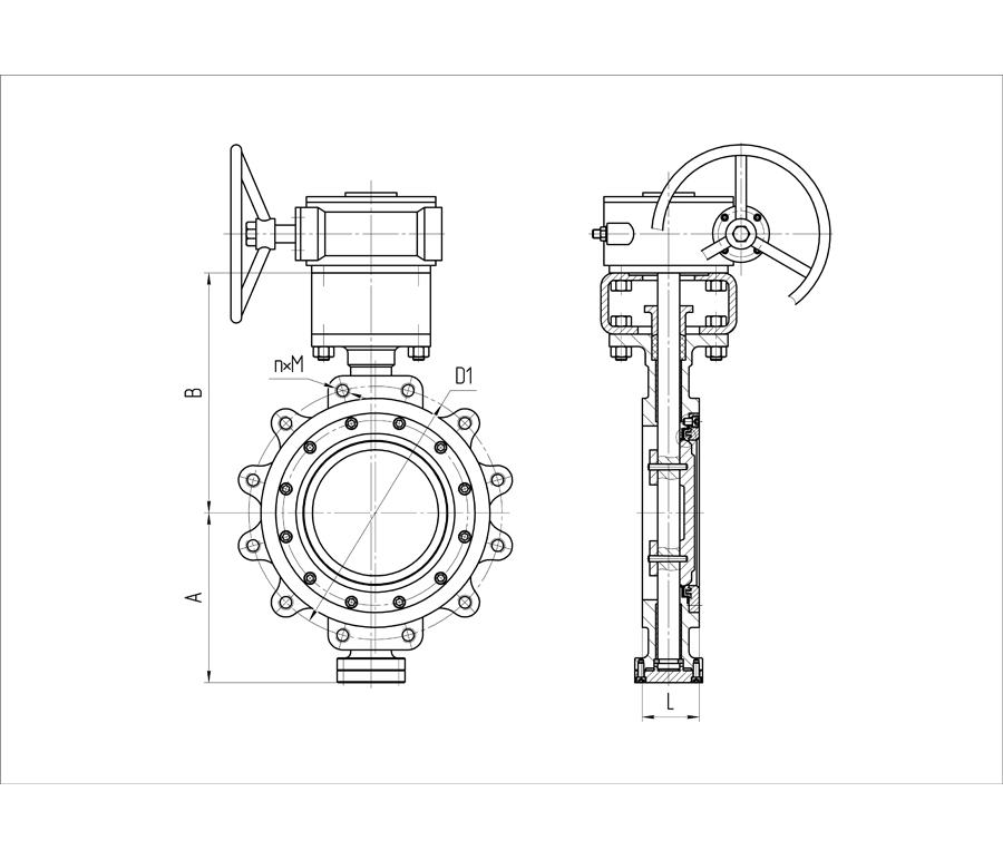
Присоединение межфланцевое с гладкими проушинами
![]() |
| DN | PN10 | PN16 | ||||||||||
| Размеры, мм | Масса с редуктором, кг | Размеры, мм | Масса с редуктором, кг | |||||||||
| A | B | L | D1 | n*d | A | B | L | D1 | n*d | |||
| 50 | 65 | 175 | 43 | 125 | 4×18 | 9 | 80 | 175 | 43 | 125 | 4×18 | 9 |
| 65 | 75 | 190 | 46 | 145 | 4×18 | 10 | 90 | 190 | 46 | 145 | 4×18 | 10 |
| 80 | 105 | 195 | 49 | 160 | 4×18 | 11 | 105 | 195 | 49 | 160 | 4×18 | 11 |
| 100 | 117 | 215 | 52 | 180 | 8×18 | 14 | 117 | 215 | 52 | 180 | 8×18 | 14 |
| 125 | 135 | 250 | 56 | 210 | 8×18 | 22 | 135 | 250 | 56 | 210 | 8×18 | 22 |
| 150 | 176 | 270 | 61 | 240 | 8×22 | 25 | 176 | 270 | 61 | 240 | 8×22 | 25 |
| 200 | 202 | 320 | 64 | 295 | 8×22 | 38 | 202 | 320 | 64 | 295 | 12×22 | 38 |
| 250 | 235 | 355 | 71 | 350 | 12×22 | 53 | 235 | 355 | 71 | 355 | 12×26 | 53 |
| 300 | 265 | 385 | 82 | 400 | 12×22 | 63 | 265 | 385 | 82 | 410 | 12×26 | 63 |
| 350 | 305 | 415 | 92 | 460 | 16×22 | 94 | 305 | 415 | 92 | 470 | 16×26 | 94 |
| 400 | 335 | 470 | 102 | 515 | 16×26 | 140 | 335 | 470 | 102 | 525 | 16×30 | 140 |
| 500 | 405 | 535 | 127 | 620 | 20×26 | 190 | 405 | 535 | 127 | 650 | 20×33 | 190 |
| 600 | 450 | 610 | 154 | 725 | 20×30 | 290 | 450 | 610 | 154 | 770 | 20×39 | 290 |
| 700 | 520 | 680 | 165 | 840 | 24×30 | 430 | 520 | 680 | 165 | 840 | 24×39 | 430 |
| 800 | 590 | 750 | 190 | 950 | 24×33 | 535 | 590 | 750 | 190 | 950 | 24×39 | 535 |
| 900 | 650 | 800 | 203 | 1050 | 28×33 | 708 | 650 | 800 | 203 | 1050 | 28×39 | 708 |
| 1000 | 720 | 920 | 216 | 1160 | 28×33 | 1090 | 720 | 920 | 216 | 1170 | 28×45 | 1090 |
| DN | PN25 | PN40 | ||||||||||
| Размеры, мм | Масса с редуктором, кг | Размеры, мм | Масса с редуктором, кг | |||||||||
| A | B | L | D1 | n*d | A | B | L | D1 | n*d | |||
| 50 | 65 | 175 | 43 | 125 | 4×18 | 9 | 80 | 175 | 43 | 125 | 4×18 | 11 |
| 65 | 75 | 190 | 46 | 145 | 8×18 | 10 | 90 | 190 | 46 | 145 | 8×18 | 12 |
| 80 | 90 | 195 | 49 | 160 | 8×18 | 11 | 105 | 195 | 64 | 160 | 8×18 | 13 |
| 100 | 117 | 215 | 52 | 190 | 8×22 | 14 | 117 | 220 | 64 | 190 | 8×22 | 17 |
| 125 | 135 | 250 | 56 | 220 | 8×26 | 22 | 155 | 260 | 70 | 220 | 8×26 | 27 |
| 150 | 176 | 270 | 61 | 250 | 8×26 | 25 | 175 | 320 | 76 | 250 | 8×26 | 30 |
| 200 | 185 | 320 | 64 | 310 | 12×26 | 38 | 220 | 330 | 89 | 320 | 12×30 | 46 |
| 250 | 215 | 360 | 71 | 370 | 12×30 | 53 | 250 | 370 | 114 | 385 | 12×33 | 64 |
| 300 | 250 | 395 | 82 | 430 | 16×30 | 63 | 300 | 435 | 114 | 450 | 16×33 | 76 |
| 350 | 283 | 455 | 92 | 490 | 16×33 | 94 | 330 | 480 | 127 | 510 | 16×33 | 113 |
| 400 | 325 | 480 | 102 | 550 | 16×33 | 140 | 340 | 535 | 140 | 585 | 12×39 | 168 |
| 500 | 375 | 580 | 127 | 660 | 20×39 | 210 | 415 | 610 | 152 | 670 | 20×45 | 252 |
| 600 | 430 | 640 | 154 | 770 | 20×39 | 315 | 480 | 630 | 178 | 795 | 20×52 | 378 |
| 700 | 540 | 720 | 165 | 875 | 24×45 | 461 | 550 | 730 | 229 | 900 | 24×52 | 553 |
| 800 | 710 | 820 | 190 | 990 | 24×45 | 595 | 620 | 810 | 241 | 1030 | 24×56 | 714 |
| 900 | 650 | 800 | 203 | 1090 | 28×52 | 752 | ||||||
| 1000 | 720 | 940 | 216 | 1210 | 28×56 | 1270 | ||||||
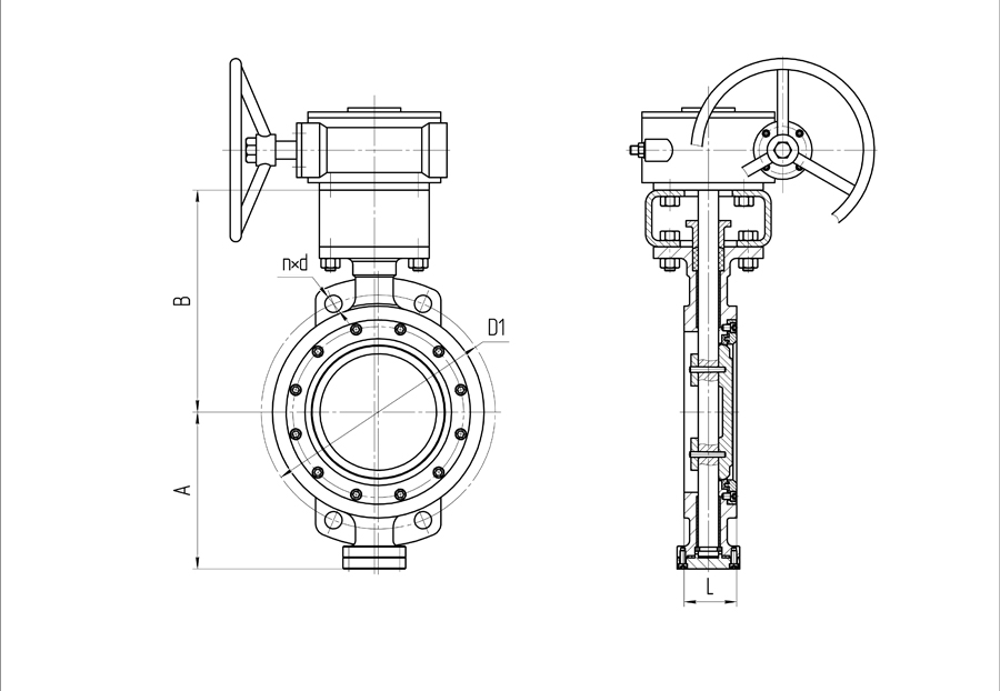
Присоединение межфланцевое с резьбовыми проушинами
![]() |
| DN | PN10 | PN16 | ||||||||||
| Размеры, мм | Масса с редуктором, кг | Размеры, мм | Масса с редуктором, кг | |||||||||
| A | B | L | D1 | n*d | A | B | L | D1 | n*М | |||
| 50 | 65 | 175 | 43 | 125 | 4×М16 | 16 | 80 | 175 | 43 | 125 | 4×М16 | 16 |
| 65 | 75 | 190 | 46 | 145 | 4×М16 | 17 | 90 | 190 | 46 | 145 | 4×М16 | 17 |
| 80 | 90 | 195 | 49 | 160 | 8×М16 | 18 | 105 | 195 | 49 | 160 | 8×М16 | 18 |
| 100 | 117 | 215 | 52 | 190 | 8×М16 | 21 | 117 | 215 | 52 | 180 | 8×М16 | 21 |
| 125 | 135 | 250 | 56 | 220 | 8×М16 | 34 | 135 | 250 | 56 | 210 | 8×М16 | 34 |
| 150 | 176 | 270 | 61 | 250 | 8×М20 | 43 | 176 | 270 | 61 | 240 | 8×М20 | 43 |
| 200 | 185 | 320 | 64 | 310 | 12×М20 | 58 | 202 | 320 | 64 | 295 | 12×М20 | 58 |
| 250 | 215 | 360 | 71 | 370 | 12×М24 | 72 | 235 | 355 | 71 | 355 | 12×М24 | 72 |
| 300 | 250 | 395 | 82 | 430 | 12×М24 | 105 | 265 | 385 | 82 | 410 | 12×М24 | 105 |
| 350 | 283 | 455 | 92 | 490 | 16×М24 | 154 | 305 | 415 | 92 | 470 | 16×М24 | 154 |
| 400 | 325 | 480 | 102 | 550 | 16×М27 | 202 | 335 | 470 | 102 | 525 | 16×М27 | 202 |
| 500 | 375 | 580 | 127 | 660 | 20×М30 | 231 | 405 | 535 | 127 | 650 | 20×М30 | 231 |
| 600 | 430 | 640 | 154 | 770 | 20×М33 | 318 | 450 | 610 | 154 | 770 | 20×М33 | 318 |
| 700 | 540 | 720 | 165 | 875 | 24×М33 | 490 | 520 | 680 | 165 | 840 | 24×М33 | 490 |
| 800 | 710 | 820 | 190 | 990 | 24×М36 | 715 | 590 | 750 | 190 | 950 | 24×М36 | 715 |
| 900 | 650 | 800 | 203 | 1090 | 28×М36 | 1000 | 650 | 800 | 203 | 1050 | 28×М36 | 1000 |
| 1000 | 720 | 940 | 216 | 1210 | 28×М39 | 1349 | 720 | 920 | 216 | 1170 | 28×М39 | 1349 |
| DN | PN25 | PN40 | ||||||||||
| Размеры, мм | Масса с редуктором, кг | Размеры, мм | Масса с редуктором, кг | |||||||||
| A | B | L | D1 | n*M | A | B | L | D1 | n*M | |||
| 50 | 65 | 175 | 43 | 125 | 4×М16 | 16 | 80 | 175 | 43 | 125 | 4×М16 | 18 |
| 65 | 75 | 190 | 46 | 145 | 8×М16 | 17 | 90 | 190 | 46 | 145 | 8×М16 | 19 |
| 80 | 90 | 195 | 49 | 160 | 8×М16 | 19 | 105 | 195 | 64 | 160 | 8×М16 | 22 |
| 100 | 117 | 215 | 52 | 190 | 8×М20 | 22 | 117 | 220 | 64 | 190 | 8×М20 | 25 |
| 125 | 135 | 250 | 56 | 220 | 8×М24 | 36 | 155 | 260 | 70 | 220 | 8×М24 | 42 |
| 150 | 176 | 270 | 61 | 250 | 8×М24 | 47 | 175 | 320 | 76 | 250 | 8×М24 | 61 |
| 200 | 185 | 320 | 64 | 310 | 12×М27 | 62 | 220 | 330 | 89 | 320 | 12×М27 | 71 |
| 250 | 215 | 360 | 71 | 370 | 12×М27 | 78 | 250 | 370 | 114 | 385 | 12×М30 | 115 |
| 300 | 250 | 395 | 82 | 430 | 16×М27 | 139 | 300 | 435 | 114 | 450 | 16×М30 | 159 |
| 350 | 283 | 455 | 92 | 490 | 16×М30 | 165 | 330 | 480 | 127 | 510 | 16×М33 | 251 |
| 400 | 325 | 480 | 102 | 550 | 16×М33 | 263 | 340 | 535 | 140 | 585 | 16×М36 | 314 |
| 500 | 375 | 580 | 127 | 660 | 20×М33 | 311 | 415 | 610 | 152 | 670 | 20×М39 | 353 |
| 600 | 430 | 640 | 154 | 770 | 20×М36 | 357 | 480 | 630 | 178 | 795 | 20×М45 | 428 |
| 700 | 540 | 720 | 165 | 875 | 24×М39 | 548 | 550 | 730 | 229 | 900 | 24×М45 | 634 |
| 800 | 710 | 820 | 190 | 990 | 24×М45 | 774 | 620 | 810 | 241 | 1030 | 24×М52 | 1054 |
| 900 | 650 | 800 | 203 | 1090 | 28×М45 | 1238 | ||||||
| 1000 | 720 | 940 | 216 | 1210 | 28×М52 | 1457 | ||||||
Размеры верхнего фланца и крутящие моменты для подбора приводов*
| DN | PN10 | PN16 | PN25 | PN40 | ||||
| Фланец по ISO |
Мкр, Н*м | Фланец по ISO |
Мкр, Н*м | Фланец по ISO |
Мкр, Н*м | Фланец по ISO |
Мкр, Н*м | |
| 50 | F07 | 24 | F07 | 24 | F07 | 29 | F07 | 70 |
| 65 | F07 | 35 | F07 | 35 | F07 | 42 | F07 | 95 |
| 80 | F07 | 54 | F07 | 54 | F07 | 65 | F07 | 110 |
| 100 | F07 | 88 | F07 | 88 | F07 | 106 | F07 | 180 |
| 125 | F10 | 130 | F10 | 130 | F10 | 156 | F10 | 290 |
| 150 | F10 | 200 | F10 | 200 | F10 | 240 | F12 | 470 |
| 200 | F10 | 340 | F10 | 340 | F10 | 340 | F12 | 820 |
| 250 | F12 | 570 | F12 | 570 | F12 | 684 | F14 | 1340 |
| 300 | F12 | 835 | F12 | 835 | F12 | 1002 | F14 | 2000 |
| 350 | F14 | 1180 | F14 | 1180 | F14 | 1416 | F16 | 2820 |
| 400 | F16 | 1740 | F16 | 1740 | F16 | 2088 | F25 | 4400 |
| 500 | F16 | 3050 | F16 | 3050 | F16 | 3660 | F25 | 7660 |
| 600 | F25 | 5450 | F25 | 5450 | F25 | 6540 | F30 | 13220 |
| 700 | F25 | 8000 | F25 | 8000 | F25 | 9600 | F35 | 19400 |
| 800 | F30 | 10600 | F30 | 10600 | F30 | 12720 | F35 | 28300 |
| 900 | F30 | 14500 | F30 | 14500 | F30 | 17400 | ||
| 1000 | F35 | 19200 | F35 | 19200 | F35 | 23040 | ||




