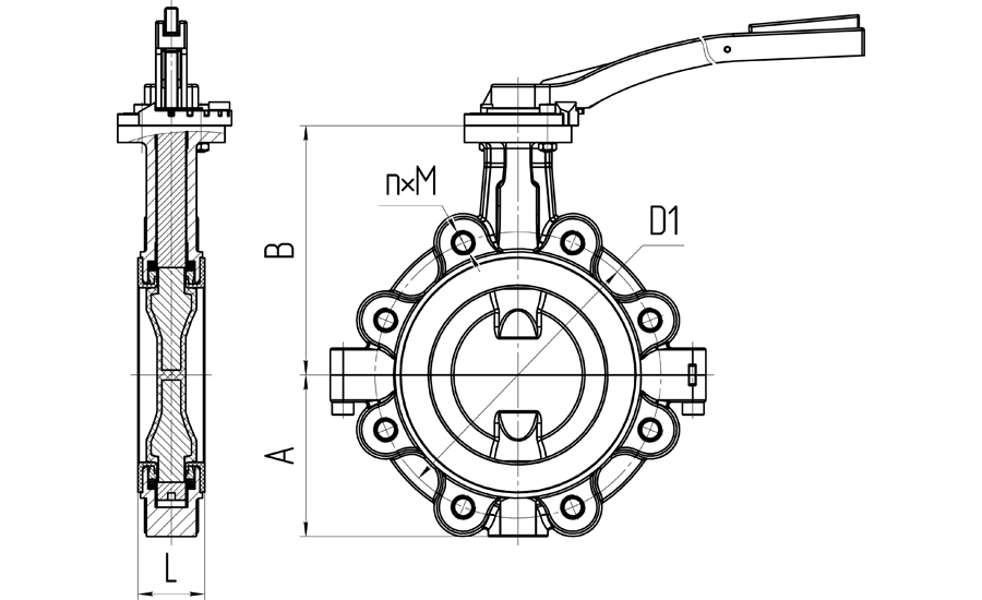
Основные габаритные и присоединительные размеры затворов
|
С рукояткой
|
 |
| DN |
Размеры, мм |
Масса с рукояткой, кг |
| A |
B |
L |
D1 |
n*d |
| PN10 |
PN16 |
PN10 |
PN16 |
| 40 |
50 |
100 |
33 |
110 |
110 |
Четыре универсальных отверстия для PN10,16 |
3 |
| 50 |
65 |
135 |
43 |
125 |
125 |
3.5 |
| 65 |
74 |
150 |
46 |
145 |
145 |
3.8 |
| 80 |
84 |
156 |
46 |
160 |
160 |
5 |
| 100 |
100 |
180 |
52 |
180 |
180 |
7 |
| 125 |
110 |
195 |
56 |
210 |
210 |
9 |
| 150 |
132 |
210 |
56 |
240 |
240 |
11 |
|
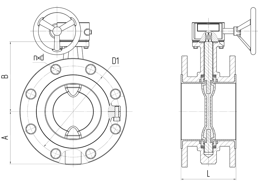
С редуктором
|
 |
| DN |
Размеры, мм |
Масса с редуктором, кг |
| A |
B |
L |
D1 |
n*d |
| PN10 |
PN16 |
PN10 |
PN16 |
| 40 |
50 |
100 |
33 |
110 |
110 |
Два универсальных отверстия для PN10,16 |
4,2 |
| 50 |
65 |
135 |
43 |
125 |
125 |
4,7 |
| 65 |
74 |
150 |
46 |
145 |
145 |
5 |
| 80 |
84 |
156 |
46 |
160 |
160 |
6,2 |
| 100 |
100 |
180 |
52 |
180 |
180 |
8,2 |
| 125 |
110 |
195 |
56 |
210 |
210 |
11 |
| 150 |
132 |
210 |
56 |
240 |
240 |
13 |
| 200 |
164 |
237 |
60 |
295 |
295 |
19 |
| 250 |
185 |
274 |
68 |
350 |
355 |
29 |
| 300 |
222 |
300 |
78 |
400 |
410 |
45 |
| 350 |
261 |
325 |
78 |
460 |
470 |
Четыре универсальных отверстия для PN10,16 |
55 |
| 400 |
285 |
342 |
102 |
515 |
525 |
88 |
| 450 |
305 |
403 |
114 |
565 |
585 |
20x27 |
20x30 |
115 |
| 500 |
338 |
446 |
127 |
620 |
650 |
20x27 |
20x33 |
150 |
| 600 |
398 |
509 |
154 |
725 |
770 |
20x30 |
20x36 |
230 |
| 600 |
520 |
553 |
165 |
840 |
840 |
24x30 |
24x36 |
293 |
| 600 |
600 |
830 |
190 |
950 |
950 |
24x33 |
24x39 |
490 |
| 600 |
750 |
980 |
216 |
1160 |
1170 |
28x33 |
28x39 |
871 |
| 600 |
870 |
1150 |
254 |
1380 |
|
32x39 |
|
1160 |
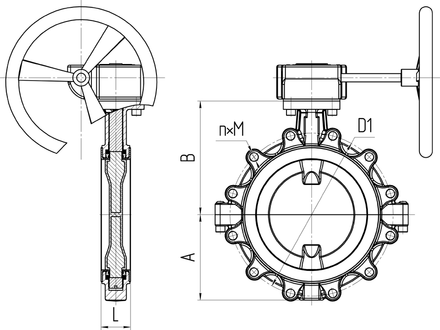
Присоединение межфланцевое с резьбовыми проушинами
|
С рукояткой
|
 |
| DN |
Размеры, мм |
Масса с рукояткой, кг |
| A |
B |
L |
D1 |
n*M |
| PN10 |
PN16 |
PN10 |
PN16 |
| 40 |
50 |
100 |
33 |
110 |
110 |
4×М16 |
4×М16 |
4 |
| 50 |
63 |
110 |
43 |
125 |
125 |
4×М16 |
4×М16 |
4,5 |
| 65 |
72 |
125 |
46 |
145 |
145 |
4×М16 |
4×М16 |
4,8 |
| 80 |
80 |
136 |
46 |
160 |
160 |
4×М16 |
4×М16 |
6 |
| 100 |
111 |
151 |
52 |
180 |
180 |
8×М16 |
8×М16 |
10 |
| 125 |
124 |
170 |
56 |
210 |
210 |
8×М16 |
8×М16 |
12 |
| 150 |
138 |
190 |
56 |
240 |
240 |
8×М20 |
8×М20 |
15 |
|
С редуктором
|
 |
| DN |
Размеры, мм |
Масса с редуктором, кг |
| A |
B |
L |
D1 |
n*M |
| PN10 |
PN16 |
PN10 |
PN16 |
| 40 |
50 |
100 |
33 |
110 |
110 |
4хМ16 |
4хМ16 |
5,2 |
| 50 |
63 |
110 |
43 |
125 |
125 |
4хМ16 |
4хМ16 |
5,7 |
| 65 |
72 |
125 |
46 |
145 |
145 |
4хМ16 |
4хМ16 |
6 |
| 80 |
80 |
136 |
46 |
160 |
160 |
4хМ16 |
4хМ16 |
7,2 |
| 100 |
111 |
151 |
52 |
180 |
180 |
8хМ16 |
8хМ16 |
11,2 |
| 125 |
124 |
170 |
56 |
210 |
210 |
8хМ16 |
8хМ16 |
14 |
| 150 |
138 |
190 |
56 |
240 |
240 |
8хМ20 |
8хМ20 |
17 |
| 200 |
171 |
222 |
60 |
295 |
295 |
8хМ20 |
12хМ20 |
27 |
| 250 |
209 |
270 |
68 |
350 |
355 |
12хМ20 |
12хМ24 |
38 |
| 300 |
230 |
290 |
78 |
400 |
410 |
12хМ20 |
12хМ24 |
60 |
| 350 |
261 |
325 |
78 |
460 |
470 |
16хМ20 |
16хМ24 |
78 |
| 400 |
285 |
342 |
102 |
515 |
525 |
16хМ24 |
16хМ27 |
115 |
| 450 |
305 |
375 |
114 |
565 |
585 |
20хМ24 |
20хМ27 |
159 |
| 500 |
338 |
415 |
127 |
620 |
650 |
20хМ24 |
20хМ30 |
204 |
| 600 |
397 |
479 |
154 |
725 |
770 |
20хМ27 |
20хМ33 |
309 |
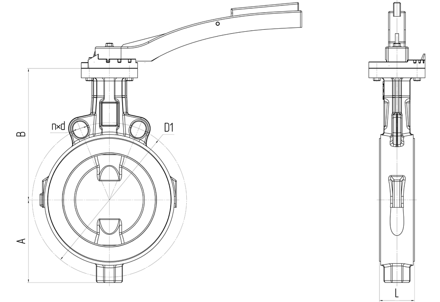
Присоединение фланцевое
|
С рукояткой
|
 |
| DN |
Размеры, мм |
Масса с рукояткой, кг |
| A |
B |
L |
D1 |
n*d |
| PN10 |
PN16 |
PN10 |
PN16 |
| 40 |
50 |
100 |
106 |
110 |
110 |
4×18 |
4×18 |
10 |
| 50 |
63 |
110 |
108 |
125 |
125 |
4×18 |
4×18 |
12 |
| 65 |
72 |
125 |
112 |
145 |
145 |
4×18 |
4×18 |
13 |
| 80 |
80 |
136 |
114 |
160 |
160 |
4×18 |
4×18 |
14 |
| 100 |
111 |
151 |
127 |
180 |
180 |
8×18 |
8×18 |
17 |
| 125 |
124 |
170 |
140 |
210 |
210 |
8×18 |
8×18 |
19 |
| 150 |
138 |
190 |
140 |
240 |
240 |
8×22 |
8×22 |
24 |
|
С редуктором
|
 |
| DN |
Размеры, мм |
Масса с редуктором, кг |
| A |
B |
L |
D1 |
n*d |
| PN10 |
PN16 |
PN10 |
PN16 |
| 40 |
50 |
100 |
106 |
110 |
110 |
4х18 |
4х18 |
12 |
| 50 |
63 |
110 |
108 |
125 |
125 |
4х18 |
4х18 |
14 |
| 65 |
72 |
125 |
112 |
145 |
145 |
4х18 |
4х18 |
15 |
| 80 |
80 |
136 |
114 |
160 |
160 |
4х18 |
4х18 |
16 |
| 100 |
111 |
151 |
127 |
180 |
180 |
8х18 |
8х18 |
19 |
| 125 |
124 |
170 |
140 |
210 |
210 |
8х18 |
8х18 |
22 |
| 150 |
138 |
190 |
140 |
240 |
240 |
8х22 |
8х22 |
27 |
| 200 |
171 |
222 |
152 |
295 |
295 |
8х22 |
12х22 |
35 |
| 250 |
209 |
270 |
165 |
350 |
355 |
12х22 |
12х26 |
56 |
| 300 |
230 |
290 |
178 |
400 |
410 |
12х22 |
12х26 |
91 |
| 350 |
261 |
325 |
190 |
460 |
470 |
16х22 |
16х26 |
137 |
| 400 |
285 |
342 |
216 |
515 |
525 |
16х26 |
16х30 |
189 |
| 450 |
315 |
406 |
222 |
565 |
585 |
20х26 |
20х30 |
210 |
| 500 |
352 |
448 |
229 |
620 |
650 |
20х26 |
20х33 |
292 |
| 600 |
441 |
518 |
267 |
725 |
770 |
20х30 |
20х39 |
363 |
Размеры верхнего фланца и крутящие моменты для подбора приводов
| DN |
Фланец
по ISO |
Размеры, мм |
Мкр, Н*м |
| D |
d |
I |
H |
PN10 |
PN16 |
| 40 |
F05 |
50 |
7 |
11 |
13 |
30 |
45 |
| 50 |
F05 |
50 |
7 |
11 |
13 |
35 |
50 |
| 65 |
F05 |
50 |
7 |
11 |
13 |
40 |
55 |
| 80 |
F05 |
50 |
7 |
11 |
13 |
54 |
75 |
| 100 |
F07 |
70 |
10 |
14 |
16 |
80 |
115 |
| 125 |
F07 |
70 |
10 |
17 |
16 |
105 |
150 |
| 150 |
F07 |
70 |
10 |
17 |
16 |
150 |
210 |
| 200 |
F10 |
102 |
12 |
22 |
24 |
265 |
370 |
| 250 |
F10 |
102 |
12 |
22 |
24 |
430 |
600 |
| 300 |
F12 |
125 |
14 |
27 |
29 |
660 |
930 |
| 350 |
F12 |
125 |
14 |
27 |
29 |
905 |
|
| 400 |
F14 |
140 |
18 |
27 |
38 |
1240 |
|
| 450 |
F14 |
140 |
18 |
36 |
38 |
1720 |
|
| 500 |
F16 |
165 |
22 |
36 |
38 |
2150 |
|
| 600 |
F16 |
165 |
22 |
46 |
48 |
3400 |
|
| 700 |
F25 |
254 |
18 |
55 |
48 |
5010 |


Конструкция затворов футерованных
| Позиция |
Наименование |
| 1 |
Корпус |
| 2 |
Диск |
| 3 |
Уплотнение |
| 4 |
Шток |
| 5 |
Эластичная вставка |
| 6 |
Тарельчатая пружина |
| 7 |
Прижимная втулка |
| 8 |
Резиновое кольцо |
| 9 |
Рукоятка |
Материалы
футеровки |
Описание |
| PTFE |
Универсальная термическая и химическая стойкость |
Материалы
корпусов |
Описание |
| GGG40 |
высокопрочный чугун с шаровидным графитом |
| WCB |
углеродистая сталь для неагрессивных сред; |
| CF8 |
коррозионностойкая сталь, применение в условиях агрессивной среды и при низких температурах. |
| CF8M |
коррозионностойкая молибденосодержащая сталь, применение в условиях особо агрессивной среды и при низких температурах. |
Пропускная способность затворов – Kv, м3/час
| DN |
40 |
50 |
65 |
80 |
100 |
125 |
150 |
200 |
250 |
300 |
350 |
400 |
450 |
500 |
600 |
| Kv |
60 |
121 |
272 |
476 |
857 |
1382 |
2282 |
4037 |
4821 |
7054 |
10050 |
13464 |
17218 |
21745 |
29802 |